晶沛旋转接头 LM 系列支持 360° 连续旋转导通,适用于压缩空气、真空、氮气、氢气等惰性气体,可集成于帽式滑环等紧凑结构中。产品采用 M5 螺纹接口,结构小巧、运行扭矩低,提供 1–24 通道可选,并支持定制工作温度、特殊介质、高转速、高 IP 防护及防爆等需求,欢迎联系我们。资深工程师与专业团队将为您提供一对一技术对接和高效定制化服务。
服务热线
0755-29534903
晶沛旋转接头 LM 系列支持 360° 连续旋转导通,适用于压缩空气、真空、氮气、氢气等惰性气体,可集成于帽式滑环等紧凑结构中。产品采用 M5 螺纹接口,结构小巧、运行扭矩低,提供 1–24 通道可选,并支持定制工作温度、特殊介质、高转速、高 IP 防护及防爆等需求,欢迎联系我们。资深工程师与专业团队将为您提供一对一技术对接和高效定制化服务。
![]() |
![]() |
![]() |
![]() |
![]() |
| 适配气管外径 | 温度 | 工作压力 | 介质 | 最高转速 |
| Φ2~Φ6mm | -20°C~+100°C | -95kpa~10bar | 真空/压缩空气 | 300rpm |
| LM系列型号列表 | |||||
型号 |
规格 | 通道数量 | 接口尺寸 | 流量孔(mm) | |
LPPA-LM0101 |
Φ40*Φ6*41 | 1进1出 | M5 | Φ3 |
/ |
LPPA-LM0201 |
Φ40*Φ6*50 | 2进2出 | M5 | Φ3 | / |
LPPA-LM0401 |
Φ40*Φ6*68 | 4进4出 | M5 | Φ3 |
/ |
LPPA-LM0601 |
Φ40*Φ6*86 | 6进6出 | M5 | Φ3 | |
LPPA-LM0801 |
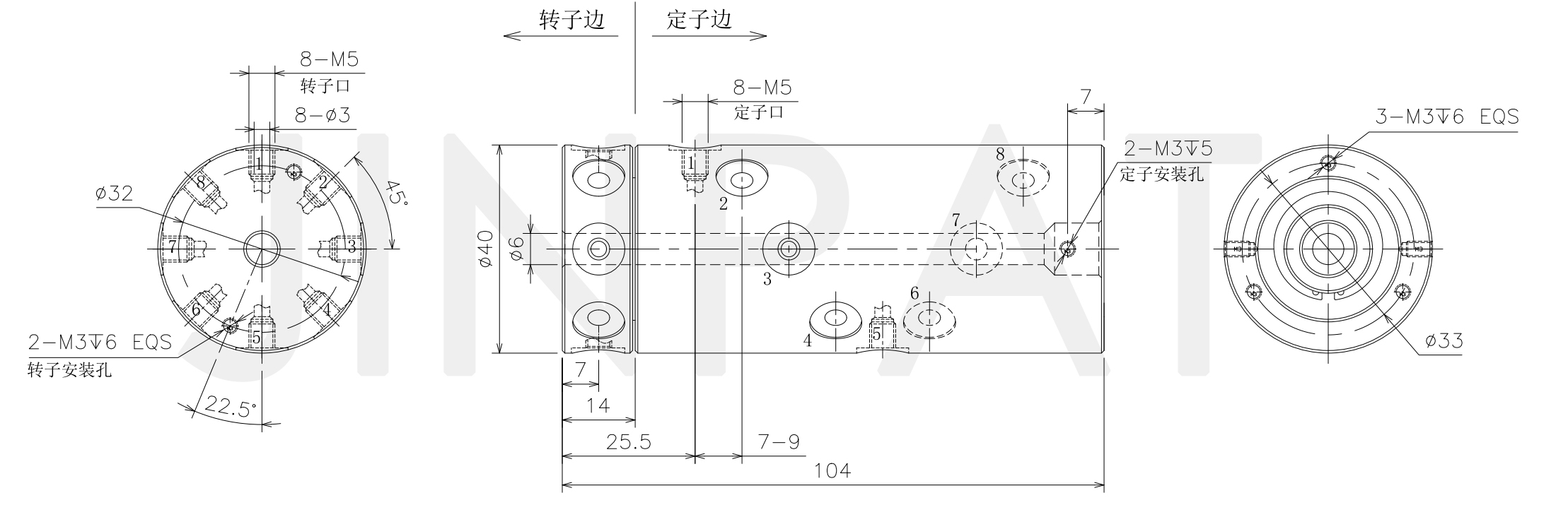
Φ40*Φ6*104 | 8进8出 | M5 | Φ3 | |
LPPA-LM1001 |
Φ40*Φ6*123 | 10进10出 | M5 | Φ3 | |
LPPA-LM1201 |
Φ40*Φ6*156 | 12进12出 | M5 | Φ3 | |
LPPA-LM1601 |
Φ40*Φ6*201 | 16进16出 | M5 | Φ3 | |
LPPA-LM2401 |
Φ40*Φ6*307 | 24进24出 | M5 | Φ3 | |
订购型号说明:

LPPA-LM0801外形图
![]()
![]()
